在現代城市水資源管理中,雨水回用技術日益受到重視。模塊雨水回用系統和機房雨水回用系統作為兩種重要的雨水收集與利用方式,各自具有獨特的優點和應用場景。
一、雨水回用系統工作原理

涵源環保項目實拍
Project shooting
1.PP模塊雨水回用系統工作原理
雨水降落地面后,經過預處理系統,可截留雨水中較大懸浮物,防止水泵、排水管以及其他處理設備堵塞。雨水匯集并儲存到蓄水(原水)模塊中,經過自然沉淀使雨水中的懸浮物質(主要是可沉固體)在重力作用下沉淀,從而固液分離,使水澄清。儲存在蓄水(清水)模塊中的雨水,再次通過地埋一體機雨水處理設備過濾、消毒。處理后可用于澆灑路面、水景補水,澆灌草坪。也可通過蓄水池將雨水下滲,達到補充地下水,改善生態環境的目的。

涵源環保項目實拍
Project shooting
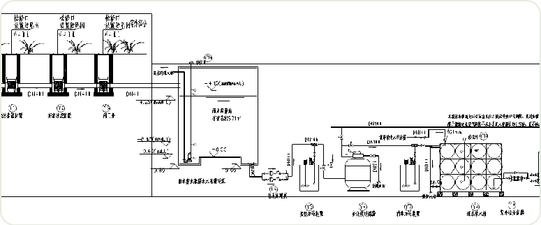
2.機房雨水回用系統工作原理
系統通過集水裝置收集屋頂或是其他區域的雨水,經過預處理系統去除水中大顆粒雜質如樹葉、塵土等,防止在后續處理環節中堵塞處理設備和管道。經過預處理后的雨水儲存在蓄水池中,通過加藥系統、多介質過濾系統、絮凝系統等對雨水進行深度凈化處理。處理后的雨水儲存在清水箱中,用水時先通過紫外線消毒設備進行消毒,再通過供水系統輸送到機房內或者地面綠化等各用水點,實現雨水資源化利用。
二、PP模塊雨水回用系統的結構與優勢
1.系統結構

模塊雨水圖紙
Drawing
PP模塊:作為雨水收集系統的核心部分,PP模塊由改性聚丙烯(PP)材料制成。模塊之間通過連接件緊密連接,形成一個密閉的儲水空間。
過濾系統:包括截污掛籃裝置、棄流過濾裝置和雨水過濾裝置等,用于去除雨水中的懸浮顆粒物、泥沙、葉子等雜質,確保收集到的雨水沒有大顆粒雜質。

|
|
|
涵源環保項目實拍Project shooting
蓄水池:由多個PP模塊組合而成,用于儲存經過過濾處理的雨水。蓄水池的設計需考慮雨水的儲存量、水質保持和排水等因素。
凈化系統:包括地埋凈化一體機、加藥裝置和紫外線消毒器等設備,用于對收集到的雨水進行深度處理,提高雨水的質量。
控制系統:實現智能化管理,包括水位監測、自動排水、水質監測和凈化設備啟動等功能。
|
|
|
涵源環保項目實拍
Project shooting
2.系統優勢
PP模塊雨水回用系統大多用于地埋,模塊采用聚丙烯(PP)環保材料制作而成,耐腐蝕、耐老化,使用壽命長,且符合綠色建筑和可持續發展理念。根據地形和場地條件進行自由組合和安裝,設計使得系統占地面積相對較小節約占地面積,后期維護成本較低。

涵源環保項目實拍
Project shooting
三、機房雨水回用系統的結構與優勢
1.系統結構

機房雨水圖紙
Drawing
機房雨水回用系統
收集系統:通常包括雨水斗、雨水管道和初期棄流裝置等,用于將機房屋頂或其他集雨面的雨水收集起來。
預處理系統:對收集到的雨水,通過截污掛籃裝置、棄流過濾裝置和雨水過濾裝置進行初步處理,去除較大的懸浮物和雜質,防止堵塞后續處理設備。

|
|
|
涵源環保項目實拍
Project shooting
儲存系統:根據機房的具體情況和需求,選擇合適的儲水設施(如水箱、水池等)來儲存經過預處理的雨水。
凈化系統:與PP模塊雨水回用系統類似,可根據機房的特殊需求進行定制和優化,例如多介質過濾器、加藥裝置、紫外線消毒設備、回用泵組等。
控制系統:實現對整個系統的智能化管理,包括水位監測、水質監測、自動排水和凈化設備啟動等功能
2.系統優勢
機房雨水回用系統能夠充分利用建筑物內部地下空間,減少地面空間占用。設備集中管理,便于遠程監控和日常維護。通過截污棄流和凈化處理,可以保證回用水質相對穩定。機房式雨水收集系統具備較高的安全性能,如設置自動報警系統、緊急排水裝置等,以應對突發情況,確保系統穩定運行。
|
|
|

涵源環保項目實拍
Project shooting
四、應用場景與適應性

涵源環保項目實拍
Project shooting
模塊雨水回用系統適用于住宅小區、公園、學校、工業園區等多種場景。能夠根據不同地形和場地條件進行靈活布局和安裝。
機房雨水回用系統更適用于對水質要求較高、需要集中處理的場景,如高層建筑、大型公共建筑、寫字樓等。
雨水作為自然界中豐富的可再生資源,其回用有助于緩解水資源短缺問題。進行雨水回用是出于多重考量,用戶可根據項目的實際需求選擇適合的雨水回用方式。







